Direkt zum Seiteninhalt

AUTOMATISIERUNG - Wrobel GmbH

Menü überspringen
Logo Wrobel Maschinenbau
Logo Wrobel Maschjinenbau
Menü überspringen
Wrobel

AUTOMATISIERUNG


Projektierung
Wir planen und fertigen elektrische Steuerungen für Sondermaschinen nach Ihren Angaben.

Bei uns gibt es alles aus einer Hand- von der Produktion des Schrankes über die Montage bis hin zur Programmierung und Inbetriebnahme.



Ansprechperson
Herr Thomas Antalovits


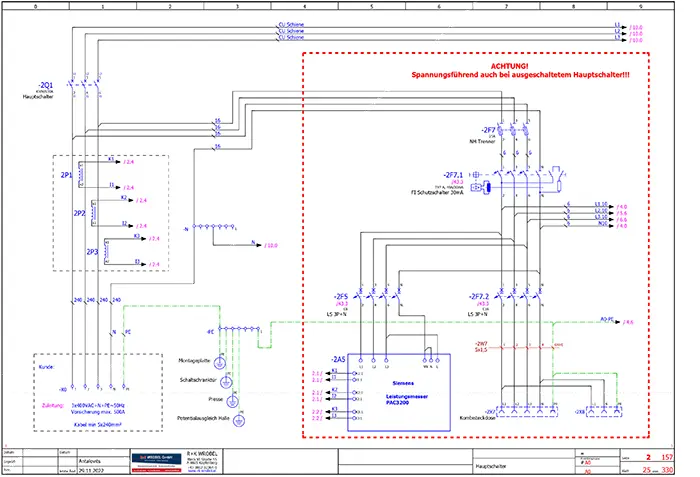
Schaltschrankbau
Ob es sich um eine Serienfertigung oder um projektbezogene, individuell erstellte Schaltanlagen handelt, wir übernehmen gerne die Konstruktion des Schrankes.

Unsere Leistungen beinhalten unter anderem

  • Bau und klemmenfertige Verdrahtung der Schaltanlage
  • Programmierung und Visualisierung
  • Montage und Inbetriebnahme der Anlage vor Ort
  • Erstellen von Listen (Stückliste, Klemmliste, Kabelplan, Aufbauplan,...)
  • Funktionsbeschreibung und Betriebsanleitung




Maschinen Sicherheit
Erfüllt Ihre Anlage noch den aktuellen geforderten Sicherheitsanforderungen?

Wir beraten Sie gerne über die notwendigen Sicherheitsmaßnahmen für Ihre bestehende Anlage. Von der Planung bis zur Fertigstellung inklusive der Abnahme der Maschine durch TÜV Austria.
Egal ob nur eine Erweiterung der bestehenden Steuerung mit der Sicherheitstechnik, oder ein kompletter Neubau gewünscht wird, wir haben für Sie die passende Lösung.



Montage
Wir übernehmen für alle gefertigten elektrischen Anlagen die komplette Montage, Inbetriebnahme und die Schulung für das Betriebspersonal.
Auf Wunsch führen wir auch laufende Servicearbeiten der Anlagen durch.
Ebenso werden auch Reparaturaufträge übernommen und fachgerecht durchgeführt.


Zurück zum Seiteninhalt